EN
Environmental protection, water and soil conservation, planning and ecological restoration
Practice in Industrial planning, pollution prevention and control, and ecological restoration
Our team enjoys unique advantages in general layout design for mining-related corporates, industrial park planning, water and soil conservation, energy cutting, environmental protection, and ecological restoration. With constant technological research and development, we are of rich experience and patents in treatment of high-acid and heavy metal waste water with complicate ingredients and emulsified oil contained water, and heavy metal pollution resolution and ecological restoration in mine areas.
Representative projects
1. Water supply and drainage and environmental protection
4 patented achievements have been made on green mine construction, water supply and drainage system for mining and smelting, water diversion and transportation engineering, stations of feed water, domestic and industrial sewage disposal, and planning water supply and drainage sectors.
1.1 Water supply for mines
External water supply for Dahongshan iron mine: capacity of 60,000m3/d, 6km long pipeline DN700 for raw water transportation.


1.2 Circulating water for mines
11,000 m3/d cooling and circulating pump station project for 10kt/a titanium sponage-reduction distillation and magnesium electrolysis of Yunnan Chaotuo Titanium Co., Ltd.

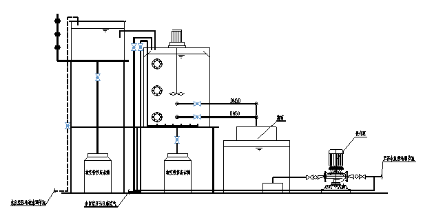
1.3 Disposal of high-acid and heavy metal waste water with complex ingredients
With capacity of 3600 m3/d, the acid sewage treatment station of the lead and zinc smelter of Yunnan Chihong Zn & Ge Co., Ltd. in Huize has worked for 4 years, during the period, the discharge has progressively reach the Emission Standard of Pollutants for Lead and Zinc Industry (GB25466-2010)and Environmental Quality Standard for Surface Water (GB3838-2002).

1.4 Project of emulsified oil contained waste water disposal
Project of treatment of the emulsified oil waste water (featuring small amount, high oil density, simple oil ingredient, stable water quality and poor oil-water separation) from the 100m3 air compression station of Yunnan Aluminum is 3-5 m3/d in capacity. The system is in stable operation with the discharge reaches the Wastewater Quality Standards for Discharge to Municipal Sewers (CJ343-2010).

1.5 Project of heavy metal pollution management in mine areas
The environmental assessment report of the specially developed heavy metal pollution control engineer in key area of Gejiu won the 2nd prize of 2014 excellent engineering consulting achievements by China National Association for Non-ferrous Metals Industries Construction.


Post treatment result: water sample without treatment (left), treated water (middle), dross (right)
2. Plan of the industrial park

3. Plan of the mine roads

General layout of the 12mt/a industrial site of Dahongshan iron mine
4. Project of water and soil conservation
Water and soil conservation solution for the project of 30,000t/a copper-contained concentrate-mining of the western block of Dahongshan copper mine
The project’s report of water and soil conservation solution was honored the 2nd excellent solution by Water and Soil Conservation Supervision Center of Ministry of Water Resources of the People’s Republic of China and Prevention and Supervision Committee of Chinese Society of Soil and Water Conservation, in addition, the project has been recorded as a successful case in the water and soil conservation guide for productive construction projects compiled by Planning and Design Commission, Chinese Society of Soil and Water Conservation.

Buildings on orebody surface
5. Water and soil conservation
5.1 Comprehensive Utilization and Reconstruction of Ecological Environment Restoration project of Heqing iron plant in Dali—water and soil conservation programme for 1.8mt/a mining expansion project

Completed afforestation and lateral grouted rubble drain

Existing vegetation, guarding and drainage facilities
5.2 Water and soil conservation solution for the initial project of Kunming Rail Transit Group Co., Ltd.
The project involves a 41.9km long light rail, 31 seats, 2 parking lots, 1 comprehensive base and 3 main transformer stations with the investment totaling 21118m yuan, winning the second prize in 2010 ministerial excellent engineering consulting achievements.

Colored steel guard under construction
6. Ecological rehabilitation
For a long period, Kunming Engineering & Research Institute of Nonferrous Metallurgy Co., Ltd. (KERI) has provided the ecosystem restoration design proposal based on the temperature difference, geological conditions, soil type, hydrology process, as well as the species population differences of plants, animals and microbe between different geographical regions.
6.1 Tailings storage facilities (TSF) of Tangdan copper of Yunnan Jinsha mining industry Co., Ltd. has transformed into a colorful flower sea.
The area of the tailings storage facilities is around 525 mu, with stocked tailings of about 6,130,000 m3. Depending on the actual geological conditions, the experts from tailings specialty of KERI has come up with perfect solutions after the safety and stability of dam body, the combination of intercepting ditch on slope surface and vegetation planting types were studied in detail. The ecological closure project of the tailings storage facilities has been completed in June, 2020. Currently, it has become a rural tourist spot integrating ecology, leisure, delicacy and sightseeing.

Settling basin under construction

Project under construction

6.2 Yunnan Jinding Zinc Limited – the slag storage of smelter has transformed into grass field
There are around 32 m3 slags stocked in the slag storage of Smelter-I of Yunnan Jinding Zinc Limited. In order to control and improve the surrounding environment of slag storage, it is necessary to close the slag storage and rehabilitate the area. KERI has carried out the ecological rehabilitation design which was completed in 2020. Afterwards, the slag storage would be transformed into grass field.

Slag storage under construction

Prototype of slag storage after restoration
Aluminium Corp all rights reserved by Beijing ICP -1 No. 05024156 Beijing public security 110401000017
Address: the people's Republic of China Beijing, Haidian District Xizhimen North Street No. 62